-
Koszyk jest pusty
-
x
-
Koszyk jest pusty
-
x
Rewizja kanalizacyjna 200-110

- Specyfikacja
- Wysoka odporność antykorozyjna
- Gładka powierzchnia ułatwiająca czyszczenie i dezynfekcję
- Najwyższa estetyka
- Wysoka odporność na gwałtowne zmiany temperatury
- Posiada współczynnik rozszerzalności zbliżony do betonu
- 100% Odnawialna
- Wszystkie nasze produkty wykonane są ze stali nierdzewnej o oznaczeniach
1.4301 (304) oraz 1.4404 (316L) zgodnie z EN 100088
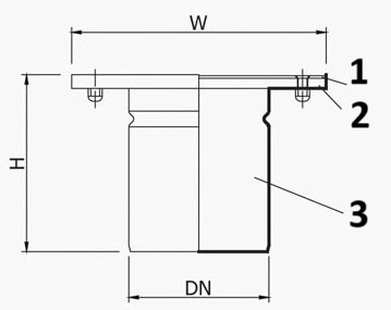
PARAMETRY

- Szerokość: 200mm
- Długość: 200mm
- Wysokość: 150mm
- Wylot Φ: 110
- 1 - 4 x ŚRUBA M6X16
- 2 - POKRYWA
- 3 - USZCZELKA EPDM
- 4 - KORPUS
- Pokrywa: PŁYTOWA, ANTYPOŚLIZGOWA lub DO ZABUDOWY PŁYTKĄ
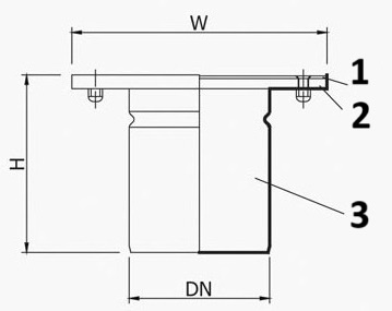
PARAMETRY DODATKOWE

- Szerokość: 200mm
- Długość: 200mm
- Wysokość: 150mm
- Wylot Φ: 110
1 - POKRYWA PEŁNA
2 - USZCZELKA GUMOWA
3 - KORPUS
--------------------------------------------- U W A G A ------------------------------------------------
PROSIMY O DODANIE ADNOTACJI KTÓRĄ POKRYWĘ MAMY SPAKOWAĆ
- Dostępna Pokrywa: 1- Płytowa - 2 - Antypoślizgowa - 3 - Do zabudowy



Nasze nierdzewne kratki ściekowe stosowane są na halach magazynowych jako atestowane odwodnienia przemysłowe.
Są to również idealne produkty kanalizacyjne dla przemysłu spożywczego.
Posiadają atest PZH, który dopuszcza montaż w miejscach takich jak sortownie i przetwórstwo mięs, ryb, owoców i warzyw.
Kratki i rewizje kanalizacyjne wykonane są z odpornej i kwasoodpornej stali nierdzewnej o współczynniku rozszerzalności bliskiemu betonu, dzięki czemu są odporne na gwałtowne zmiany temperatur.
Montowane również w szkołach, szpitalach, komisariatach, punktach gastronomicznych, często stosowane przez deweloperów
Charakteryzują się wysoką odpornością i jakością wykonania, w pełni Polski i w 100% odnawialny.
Podana cena zawiera całkowity koszt kompletnej kratki ściekowej.
Specyfikacja
➡️- Wysoka odporność antykorozyjna
➡️- Gładka powierzchnia ułatwiająca czyszczenie i dezynfekcję
➡️- Najwyższa estetyka
➡️- Wysoka odporność na gwałtowne zmiany temperatury
➡️- Posiada współczynnik rozszerzalności zbliżony do betonu
➡️- 100% Odnawialna
➡️- Wszystkie nasze produkty wykonane są ze stali nierdzewnej o oznaczeniach
1.4301 (304) oraz 1.4404 (316L) zgodnie z EN 100088
ZESTAW ZAWIERA
➡️- POKRYWA 1 szt
➡️- USZCZELKA GUMOWA w ilości 1 szt
➡️- KORPUS WPUSTU1 szt
--------------------------------------------- U W A G A ------------------------------------------------
PROSIMY O DODANIE ADNOTACJI KTÓRĄ POKRYWĘ MAMY SPAKOWAĆ
- Dostępna Pokrywa: 1- Płytowa - 2 - Antypoślizgowa - 3 - Do zabudowy
➡️ODWODNIENIA PRZEMYSŁOWE⬅️
Produkt Polskiej firmy z tradycjami od 1990r.
Specializujemy się w wykonywaniu odwodnień ze stanl nierdzewnej i kwasoodpornej.
Nasze produkty spełniają wymogi Europejskich norm: EN1253, EN1433
Oraz posiadają świadectwa jakości zdrowotnej PZH